搜索热词:
P减速机
HB工业齿轮箱
F减速机
S减速机
K减速机
R减速机
WP减速机
齿轮减速机
蜗轮减速机
减速机
复制链接成功,快去分享好友吧~
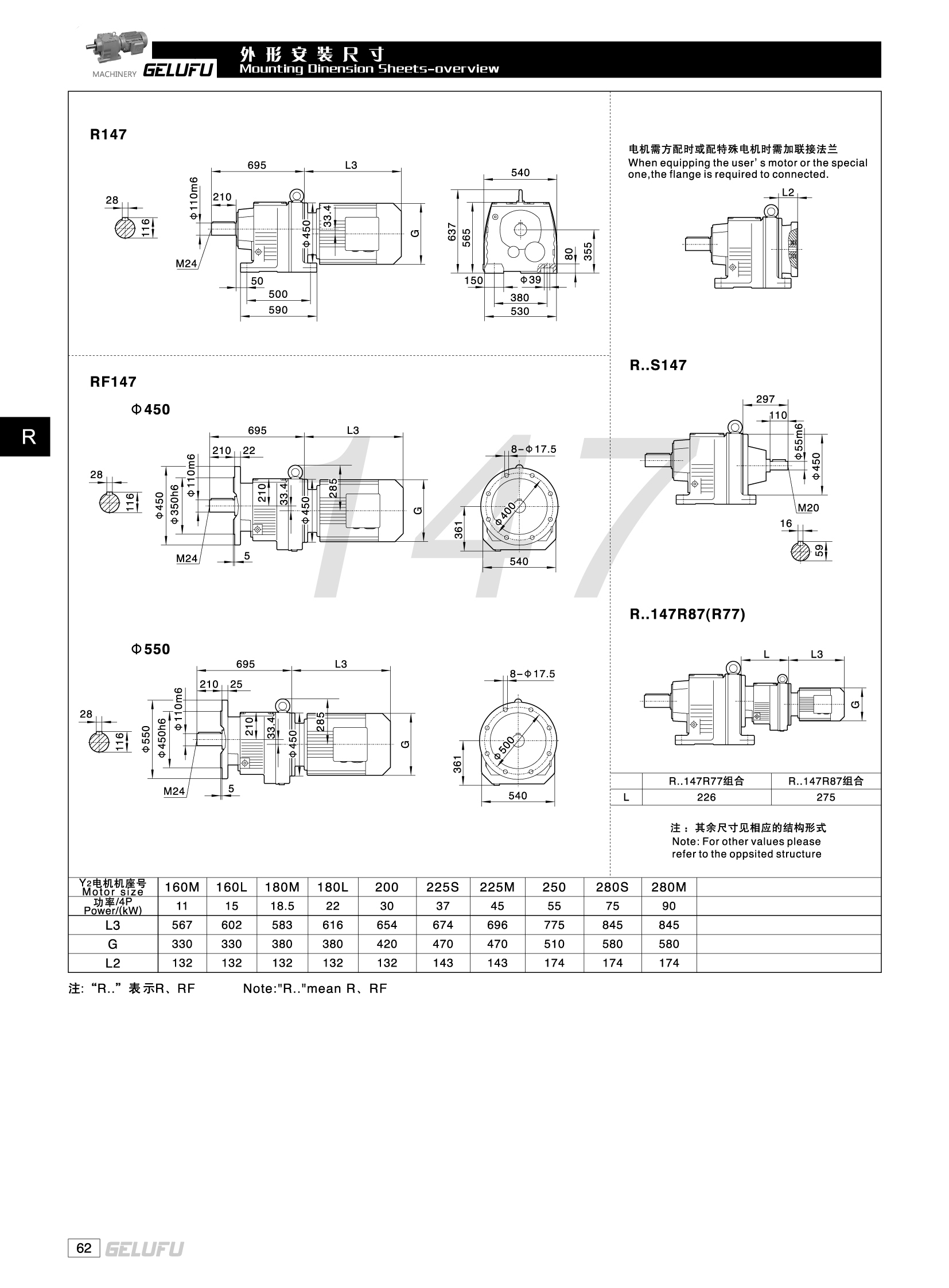
R147减速机
首页
四大系列
R147减速机
模型详情:
型号:
R147-Y22-4P-180L-M1-0°
分类:
四大系列
速比:
110.03
电机功率:
22 kW
扭矩:
14884 N.m
安装型式:
卧式底脚安装
提示: 用手指拖动可旋转模型,双指缩放可放大查看细节
相关标签
R减速机
R147减速机
四大系列推荐
首页
我的
收藏
立即下载
SLDPRT
STEP